Взрывозащищенный вентилятор

VD32YR9454
ООО «ВИТЕХНО» имеет собственное производство полного цикла изготовления от разработки...

Город: RU, р-н Лаишевский, с.п. Столбищенское, село Усады

  • Уточнение стоимости
  • Чтобы узнать актуальную стоимость товара, мы советуем связаться с нашим продавцом и уточнить все детали. Тогда вы получите самую точную и свежую информацию о цене, а также сможете задать дополнительные вопросы, если они возникнут

Технические характеристики радиальных вентиляторов « ViT »

1. Назначение.

1.1 Вентиляторы ViT предназначены для организации в помещениях приточной и вытяжной вентиляции.

1.2 Вентиляторы взрывозащищенного исполнения соответствуют требованиям ГОСТ 31441.1-2011 и ГОСТ 31441.5-2011 (EN 13463-5:2003), Техническому регламенту Таможенного союза 012/2011 «О безопасности оборудования для работы во взрывоопасных средах» и могут эксплуатироваться во взрывоопасных и пожароопасных зонах 1 и 2 класса по ГОСТ IEC 60079-10-1-2013, где возможно образование взрывоопасных смесей подгрупп IIA и IIB с температурным классом Т1, Т2, Т3, Т4 по ГОСТ 31441.1-2011 и ГОСТ IEC 60079-20-1-2013, а также использоваться для перекачивания воздуха с содержанием взрывоопасных паров и газов.

1.3 Климатическое исполнение взрывозащищенных вентиляторов У2 по ГОСТ 15150-90 (температура окружающей среды от минус 40 до плюс 40 0 С).

1.4 Маркировка взрывозащиты:  II Gb c IIB T4.

1.5 Вентилятор изготовлен в соответствии с ТУ 4861-004-01789099-2016. Производство ООО «ВИТЕХНО» г. Казань.

1.6 Декларация соответствия техническому регламенту Таможенного союза ТР ТС 010/2011 "О безопасности машин и оборудования": ЕАЭС № RU Д-RU.АВ24.В.03868. Срок действия до 06.07.2022.

1.7 Сертификат соответствия техническому регламенту Таможенного союза ТР ТС 012/2011 № ТС RU C-RU.AB24.B.04403. Срок действия до 24.10.2021.

2. Основные технические данные и характеристики.

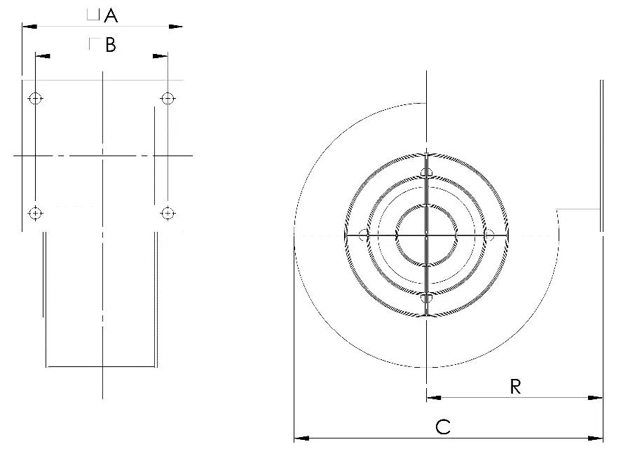
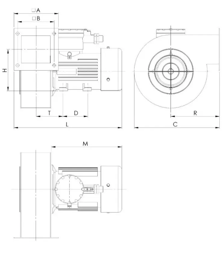
2.1 Общий вид вентиляторов, их габаритные, присоединительные и установочные размеры приведены на рисунке 1 для взрывозащищенного радиального вентилятора и рисунке 2 для вентилятора в общепромышленном исполнении и в таблице 1.

2.2 Вентиляторы состоят из вращающихся и неподвижных частей. Корпус вентилятора может быть установлен в любом из положений. Корпус выполнен из литого силумина.

2.3. Направление вращения рабочего колеса правое.

2.4. Вентиляторы во взрывозащищенном исполнении имеют внешний электродвигатель.

2.5 Вентиляторы в общепромышленном исполнении имеют внутренний электродвигатель.

 

Таблица 1 – Габаритные, присоединительные и установочные размеры вентиляторов ViT, мм.

Модель вентилятора

A

B

C

R

M

H

T

D

L

ViT 140

140

122

213

113

245

130

100

80

367

ViT 160

130

115

235

125

245

130

100

80

360

ViT 180

140

110

261

131

245

130

100

80

355

2.7 Технические характеристики взрывозащищенных радиальных вентиляторов приведены в таблице 2, в общепромышленном исполнении в таблице 3.

2.8 Средняя квадратическая виброскорость не более 6,3 мм/с.

2.9 Исполнение вентилятора – радиальное.

Таблица 2 – Технические характеристики и цена взрывозащищенных радиальных вентиляторов ViT

Модель вентилятора

Q, м3

Pv,

Па

Ny, кВт

n, об/мин

Масса,

кг

Звуковая мощность, дБА

Стоимость, руб., с НДС

ViT 140-Ex

400

360

0,25

1480

13,6

59

По запросу

ViT 160-Ex

510

490

0,25

1480

14,9

63

По запросу

ViT 180-Ex

620

600

0,37

1480

15,4

69

По запросу

Таблица 3 – Характеристики и цена радиальных вентиляторов ViT в общепромышленном исполнении:

Модель вентилятора

Q, м3

Pv,

Па

Ny, кВт

n, об/мин

Масса,

кг

Звуковая мощность, дБА

Стоимость, руб., с НДС

ViT 140

395

355

0,10

1350

2,6

59

По запросу

ViT 160

600

560

0,24

2500

3,9

63

По запросу

ViT 180

760

720

0,40

1950

3,9

69

По запросу

 

Для дилеров и оптовых покупателей существует следующая система скидок:

 

При объеме покупки на сумму с НДС, руб.:

до 100 000

от 100 000 до 200 000

от 200 000

Предоставляемая скидка:

12 %

15 %

20 %

 

3. Преимущества вентилятора ViT :

1) Малые габаритные размеры.

2) Низкая звуковая мощность, менее 69 дБА.

3) Надежность в комплексе с повышенной гарантией до 24 месяцев.

4) Литой корпус из силумина, обеспечивающее надежность, малые габаритные размеры, низкую звуковую мощность и эстетический вид.

5) Наличие противопожарной заслонки, выполняющей роль обратного клапана, которая закрывается при отключении вентилятора и открывается при включении вентилятора.

6) Обеспечение взрывозащиты для эксплуатирования во взрывоопасных и пожароопасных зонах 1 и 2 класса по ГОСТ IEC 60079-10-1-2013, где возможно образование взрывоопасных смесей подгрупп IIA и IIB с температурным классом Т1, Т2, Т3, Т4 по ГОСТ 31441.1-2011 и ГОСТ IEC 60079-20-1-2013. Наличие сертификата соответствия ТР ТС 012/2011 «О безопасности оборудования для работы во взрывоопасных средах».

7) Широкий диапазон температуры окружающей среды для эксплуатации вентилятора: от минус 40 до плюс 40 град. С.

8) Высокий срок службы: 10 лет.

9) Короткий срок поставки: в течение 10 дней. При штучном заказе возможно наличие на складе у завода производителя.

Отзывы не найдены

Возможно, вас это заинтересует
  • Аналогичные товары
  • Самые популярные
  • Недавно просмотренные